167.net必赢客户端
首页
学院概况
学院简介
现任领导
组织机构
系部中心
组织机构工作职责
师资队伍
党建工作
组织机构
规章制度
学习园地
纪检工作
本科生教育
教学管理文件
毕业设计/实习
宣传报道
常用下载
研究生教育
硕士点介绍
培养方案
导师风采
公示公告
招生信息
科学研究
科研动态
科研政策
学生工作
组织简介
新闻报道
学团荣誉
常用下载
招生就业
招生快讯
专业简介
培养方案
历年分数
师资力量
升学就业
就业创业
特色培养
优质生源基地建设
走访企业、看望毕业生
常见问题解答
就业表格下载
宣传报道
校友工作
实践实验
新闻动态
校企合作实践基地
理论学习
师资力量
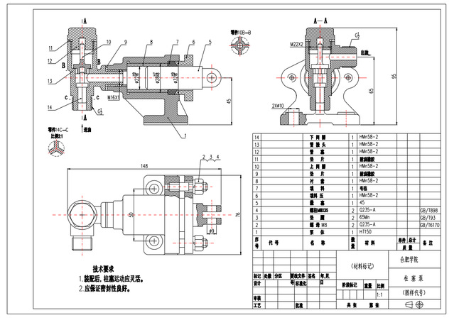
图1 装配图
发布者:先进制造工程学院
发布时间:2021-03-22
浏览次数:
291